












Electrical Discharge Machining (EDM) is a non-traditional machining process that erodes conductive materials through spark erosion generated by pulsed electrical discharges between two electrodes immersed in a dielectric fluid. It is also known as spark machining or electro-erosion machining. EDM is capable of machining materials that are difficult to cut with conventional machining methods, as well as molds and parts with complex-shaped holes and cavities: Materials: It machines various hard and brittle materials such as cemented carbide and hardened steel. Structures & Shapes: It produces deep and slender holes, irregular holes, deep grooves, narrow slots, thin slices, and molds including hot forging dies, die-casting dies, extrusion dies, plastic molds and bakelite molds.
Electrode Fabrication
Graphite and pure copper electrodes are commonly used.Graphite electrodes have excellent machinability and can be easily formed into complex shapes. Its cutting resistance is only 1/5 that of copper, and machining efficiency is twice as high. It features high strength, high temperature resistance and extremely low thermal expansion, so it resists deformation when machining ultra-high (50–90mm) and ultra-thin (0.2–0.5mm) electrodes.
Graphite has good electrical conductivity, which greatly saves machining time in EDM, especially in roughing. Graphite electrodes offer faster discharge speed than copper but higher wear. Copper electrodes are typically used for precision mold finishing, though their machined surfaces often require polishing to improve surface quality.
Carbon Slag and Debris Removal
EDM proceeds smoothly only when the generation and removal of carbon slag are balanced. In practice, machining speed is often reduced to ensure effective debris flushing. Another obstacle to slag removal is complex workpiece geometry, which blocks chip evacuation paths. Good flushing conditions must be actively established with targeted solutions.
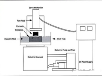
Dielectric fluid with certain insulation acts as the discharge medium, and also provides cooling and chip removal during machining. Common dielectrics include low-viscosity, high-flashpoint, stable media such as kerosene, deionized water and emulsions.
Electrode and Workpiece Wear
Long discharge pulse duration helps reduce electrode wear. Roughing EDM generally uses long pulses and high current, achieving fast material removal with low electrode wear. In finishing, small current must be paired with shorter pulse duration, which increases electrode wear and significantly reduces machining speed. Part of the discharge energy is consumed on the tool electrode, causing wear that affects forming accuracy.
The cross-sectional profile of the tool electrode must be uniformly smaller than the target hole dimension by a machining gap. Its dimensional accuracy must be one grade higher than the workpiece, and its surface roughness must be lower.
Typically, EDM can achieve a dimensional tolerance of IT7 and surface roughness Ra 1.25 μm.
When machining relatively large holes, a pre-drilled hole is usually made with a proper allowance (approximately 0.5–1mm per side). Excessive allowance reduces productivity and makes positioning difficult during EDM.
Cavity machining is mostly blind-hole machining with complex geometry, which hinders dielectric circulation and debris removal, making it more difficult than through-hole machining.To improve machining conditions, oil flushing holes are sometimes drilled in the tool electrode for cooling and ejecting machining byproducts.

1.Capable of machining difficult-to-cut conductive materials, such as hardened steel, cemented carbide, stainless steel, industrial pure iron, etc.
2.The hardness of the tool can be lower than that of the workpiece material.
3.No significant mechanical cutting force during machining, which is favorable for processing small holes, narrow slots, shaped holes, curved holes, thin-walled parts, as well as precision and micro-machining.
4.Pulse parameters can be adjusted freely. Roughing, semi-finishing and finishing can be performed continuously on the same machine simply by changing the tool electrode or using a stepped tool electrode.
5.Efficiency is generally lower than conventional cutting. It is recommended to perform roughing via cutting first, then finishing by EDM.
6.Part of the energy is consumed on the tool electrode during discharge, causing tool wear and affecting forming accuracy to a certain extent.
7.Machining Types:
① Through 2D shaped holes with constant or variable cross-section: round holes, square holes, polygonal holes, irregular holes, curved holes, bent holes, spiral holes, small holes, micro holes, etc.
② 3D cavity and profile machining, typically for extrusion dies, die-casting dies, plastic molds, bakelite molds, as well as surface parts such as integral impellers and blades.
③ Other machining forms:
Forming parts such as various forming cutters, templates, tools, gauges, threads; engraving characters, printing nameplates and markings.
Surface strengthening: high-speed quenching, nitriding, carburizing, special material coating and alloying on metal surfaces.
Auxiliary applications: removing broken taps and drills stuck in workpieces, repairing worn parts, matching gear meshes, etc.

1.Mold Manufacturing
Used for machining complex cavities, profiles, narrow slots, micro holes and other structures in injection molds, die-casting molds, stamping molds, extrusion molds, etc. It meets the high-precision and high-complexity requirements of mold making and is an indispensable processing method in mold manufacturing.
2.Aerospace
Machines key components such as aero-engine blades, combustion chambers, and aircraft structural parts. It is especially suitable for difficult-to-machine materials like titanium alloys and high-temperature alloys, and can accurately process complex shapes and micro-structures to meet the strict requirements for component accuracy and performance in the aerospace field.
3.Electronics & Information
In printed circuit board (PCB) manufacturing, it is used to machine micro vias to ensure dimensional accuracy and surface quality, improving the performance and reliability of circuit boards. In micro-electro-mechanical systems (MEMS), it processes various complex micro-mechanical structures, driving technological innovation in the electronics and information industry.
4.Automotive Manufacturing
Machines injection holes of automotive engine nozzles, automotive molds, irregular holes and grooves of automotive parts, ensuring the injection effect of nozzles and the processing quality of parts, thus improving engine fuel efficiency and power performance.
5.Medical Devices
Used to process surgical instruments, implantable medical devices, etc., meeting the requirements for accuracy, surface quality and biocompatibility. It has unique advantages in processing complex shapes and micro-structures.
6.Precision Machinery & Instrument Manufacturing
Machines precision mechanical parts such as precision gears, cams, thread ring gauges, templates, as well as micro-components in instruments and meters, satisfying high-precision and high-surface-quality requirements.
7.Special Material Processing
Suitable for processing conductive materials with high hardness, high melting point, high toughness and high brittleness, such as cemented carbide, hardened steel, stainless steel and other materials difficult to machine by traditional mechanical methods, which can be effectively processed by EDM.
8.Surface Strengthening & Marking
Used for surface strengthening treatments such as high-speed quenching, nitriding, carburizing, and special material coating on metal surfaces, as well as engraving characters, printing nameplates and markings.
Traditional EDM serves as a supplementary process to conventional machining. It breaks through the limitations of hardness, shape, precision and stress in traditional cutting, making it possible to manufacture high-hardness, ultra-complex and ultra-precise parts, and reshaping the process route of precision manufacturing. EDM is ideal for machining deep cavities, narrow slots, irregular blind holes, and features zero cutting force, enabling the processing of extremely low-rigidity parts, fillet clearing, sharp corners, micro-structures and more.
Based on customers’ demands and product budget plans, Huazheng provides full-process support with customized product design solutions. From material selection in product R&D to production processes and surface treatment, we offer one-stop professional DFM analysis to create real value for customers. We restructure the process system according to product functions and application scenarios, improve efficiency and flexibility while simplifying the process chain. By expanding machining boundaries and optimizing process routes, we support the upgrading of product structures. We also provide customers with clear comparisons of precision, efficiency and cost to help them quickly select the best solutions and gain advantages in the market.
Equipped with 1 unit, travel range 700×500×300 mm, accuracy 0.01 mm, used for high-precision die sinking machining to meet complex mold cavity processing requirements.
Equipped with 2 units, travel range 450×300×300 mm, accuracy 0.005 mm, used for fine finishing of precision mold details and complex contours.
Equipped with 1 unit, travel range 1400×700×500 mm, accuracy 0.01 mm, used for large-scale mold and large-part sinking EDM machining.























